當前位置:首頁 »
嵩陽煤機資訊 » 合作案例
» 河南煤化訂購的8臺JS160減速機整裝待發
河南煤化訂購的8臺JS160減速機整裝待發
2016年4月4日上午,8臺JS160減速機在嵩陽煤機車間整裝待發,即將發往河南煤化某煤礦。
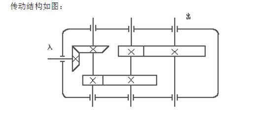
JS160減速器采用一級圓錐齒輪和兩級齒輪傳動,輸入與輸出軸垂直布置,通過切換不同大小的齒輪來變換速度和扭矩,傳遞動力。輸入的轉速快、扭矩小;經三級傳動后,輸出轉速慢、扭矩大,從而達到減速的目的。

河南煤化作為與我公司建立長期業務關系的老客戶,曾多次到我公司實地考察,更了解我公司的實際生產情況,也更信賴我公司的生產能力!
嵩陽煤機在礦用設備的生產上擁有豐富的生產經驗,從煤礦一線積累技術經驗,所打造的礦用設備更實用、可靠,讓客戶更快捷、安心的投入生產!
歡迎您到嵩陽煤機考察指導,我們會到機場或者火車站專車接送。聯系人:李經理 免費咨詢熱線:400-6866-396/17303715996

電話:17303715996







豫公網安備 41018502000162號